Schließgeschwindigkeitsregler

Laut Brandschutznorm müssen Brandschutztore im Brandfall ohne Fremdenergie selbständig schließen und dabei eine gleichmäßige und definierte Schließgeschwindigkeit erreichen. Nach Auslösung der Feststellvorrichtung im Brandfall muss ein einmal eingeleiteter Schließvorgang zum Zweck des Personenschutzes unterbrochen werden und nach Freiwerden des Schließbereiches selbständig fortsetzen können. Dieses wird durch den Einsatz eines Schließgeschwindigkeitsreglers erreicht.
Das Produktprogramm umfasst:
- Serie SB2 = Max. zulässige Schließkraft im Zugseil: 200 N
- Serie SB3 = Max. zulässige Schließkraft im Zugseil: 150 N
- Serie SB4 = Max. zulässige Schließkraft im Zugseil: 300 N /680 N
Laufregler
Im Bereich der Laufregler arbeiten wir eng mit der Firma Kendrion zusammen. Durch diese Partnerschaft beliefern wir Endkunden mit deren Produkten und beraten Sie dazu kompetent und individuell. Als herstellerunabhängiges Unternehmen bieten wir Ihnen aber auch Laufregler und Steuerungen anderer Hersteller an.
Das Produktprogramm der Kendrion-Schließgeschwindigkeitsregler der Marke Linnig umfasst:
- Laufregler ohne Feststellvorrichtung
- Laufregler mit Feststellvorrichtung
- Laufregler mit Feststellvorrichtung und elektrischer Öffnungshilfe
- Steuerungen
Die modernen Laufregler überzeugen dabei mit vielen Vorteilen:
- Kompakte Bauform
- Stufenlos einstellbare Torgeschwindigkeit
- Verschleißfreie Geschwindigkeitsregelung
- Ölfreies System
- Anschlussmöglichkeiten diverser Sicherheitseinrichtungen
- Bedarfsgerechte Ansteuerung aller Schließgeschwindigkeitsregler
- Gleichbleibende Schließgeschwindigkeit auch bei unterschiedlichen Temperaturbereichen
Zur individuellen Beratung und Anfrage
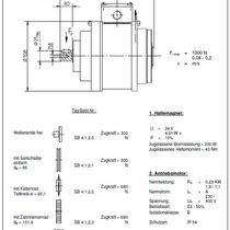
Modelle und Technische Daten
| Typ: | Max. zulässige Schließkraft im Zugseil | Feststellvorrichtung | Motor |
|---|---|---|---|
| SB2.0.x | 200 N | nein | nein |
| SB 2.2.x | 200 N | ja | nein |
| SB 2.3.x | 200 N | ja | nein |
| SB 2.4.1.x | 200 N | ja | nein |
| SB 2.4.2.x | 200 N | ja | ja |
| SB 2.4.3.x | 200 N | nein | ja |
| SB 2.4.4.x | 200 N | ja | ja |
| SB 3.1.x | 150 N | nein | nein |
| SB 3.3.x | 150 N | ja | ja |
| SB4.2.1.x | 300 N / 680 N | ja | ja |
Technische Daten
Übersicht Antriebsarten
Downloads
Leistungen von PROTEC-24
- Dank unserer Serviceerfahrung aus über 600 Wartungen pro Tag bieten wir für jede Anwendung die optimale und herstellerunabhängige Lösung.
- Wir beraten Sie professionell und unabhängig anhand Ihrer individuellen Anforderungen unter Berücksichtigung der optimalen Lebenszyklenkosten, der geltenden rechtlichen Vorschriften, aktueller Sicherheitsstandards und maximaler Energieeffizienz.
- Die Montage wird durch geschultes und regelmäßig weitergebildetes Personal kompetent ausgeführt.
- Vor der ersten Inbetriebnahme führen wir eine sicherheitstechnische Prüfung gemäß Vorschrift, nach den Vorgaben des Herstellers durch.
- Es erfolgt eine Kennzeichnung der neuen Anlagen und Ersterfassung in der Wissens- und Dokumentationsplattform CAVEA für eine hohe Transparenz und Prozesssicherheit.
- Unser 360°-Leistungsprinzip: Wir bieten alle Leistungen aus einer Hand für die gesamte Lebensdauer der Anlage – vom Beratungsgespräch bis zum umfassenden After-Sales-Service mit Wartung und Instandhaltung.
- Wir garantieren die Ersatzteilversorgung durch enge Zusammenarbeit mit den führenden Tür- und Torherstellern und bieten eine Gewährleistung von 2 Jahren.
Wartung und Prüfung von Laufreglern
Laufregler sind sicherheitstechnische Komponenten, die zur Erhaltung Ihrer lebensrettenden Funktion einer regelmäßigen Wartung bedürfen. Dabei sind die Laufsregler sowie auch der Dämpfungszylinder so einzustellen, dass die Zulaufgeschwindigkeit nicht zu groß wird und Unfälle oder Beschädigung vermieden werden können.
Nach der Arbeitsstätten-Verordnung (ArbStättV) und den jeweiligen Landesbauordnungen (LBO) ist der Eigentümer bzw. der Betreiber der Immobilie persönlich verpflichtet, die Wartung und Prüfung durchzuführen. Die erforderlichen Wartungsarbeiten können auch auf einen Fachbetrieb wie z. B. PROTEC-24 übertragen werden.
- Der Betreiber ist verpflichtet, regelmäßig, aber mindestens einmal pro Jahr, eine fachgerechte Prüfung gem. Herstellervorgaben durchführen zu lassen.
- Funktionsbeeinträchtigungen an den Anlagen müssen so instandgehalten werden, dass kein Gefahrenpotenzial für Mitarbeiter und Besucher vorliegt.
- Alle Wartungen und Prüfungen müssen verpflichtend schriftlich dokumentiert und vom Betreiber dokumentarisch nachgewiesen werden können, z. B. durch Prüfberichte oder ein Prüfbuch.
Die Wartung und Prüfung von PROTEC-24 erfolgt individuell nach den jeweiligen Herstellerangaben der Laufregler sowie nach der allgemeinen bauaufsichtlichen Zulassung des DiBt.
Bitte beachten Sie, dass die Wartung und Prüfung immer im Zusammenhang mit der kompletten Anlage, wie z.B. einem Brandschutzschiebetor, erfolgt.
Leistungen von PROTEC-24
- zyklisch wiederkehrende Wartung und Funktionsprüfung nach den jeweiligen gesetzlichen Vorgaben, Normen oder Arbeitsstättenrichtlinien (ASR) durch geschultes und regelmäßig weitergebildetes Personal
- Sicherstellung der gesetzlichen Prüfpflicht durch Einhaltung aller gesetzlich vorgeschriebenen Prüfpunkte durch einen vorgeschriebenen Sachkundigen
- Sicherstellung eines arbeitssicheren Zustands durch Austausch und Reparatur schadhafter Teile - nach vorheriger Absprache mit dem Kunden
- Unterstützung bei der gesetzlich vorgeschriebenen Dokumentationspflicht durch zentrale Pflege aller anlagen- und unternehmensspezifischen Daten in der Wissens- und Dokumentationsplattform CAVEA sowie Aushändigung von Prüfberichten in digitaler Form oder eines Prüfbuchs
- proaktive Terminabsprache für die gesetzlich vorgeschriebenen Prüf- und Wartungszyklen
- vorbeugende Instandhaltung durch regelmäßige Pflege oder rechtzeitigen Austausch aller Verschleißteile, wie z. B. Dichtungen, für eine längere Lebensdauer der Anlagen
- individuelle, auf Ihren Bedarf zugeschnittene Wartungsverträge zur Minimierung Ihrer Administrations- und Ausfallzeiten sowie bevorzugte Behandlung bei Störungen oder Notfällen
- individuelle Serviceleistungen wie z. B. Wartungen außerhalb der Produktionszeiten an 24 Stunden, 7 Tage die Woche und 365 Tage im Jahr
Pflichten des Betreibers
Gemäß den Unfallverhütungsvorschriften (UVV) und den Bauordnungen der Länder ist ausschließlich der Eigentümer bzw. der Betreiber einer Immobilie für die Sicherheit aller Mitarbeiter und Besucher verantwortlich.
Das beinhaltet auch die regelmäßige Wartung und Prüfung Ihrer Anlagen mindestens einmal pro Jahr, um sicherzustellen, dass sie zuverlässig funktionieren und von ihnen kein Gefährdungspotenzial ausgeht. Die Gewährleistung der Funktionsfähigkeit von Sicherheitseinrichtungen, wie z. B. Brandschutzanlagen oder Fluchttürsteuerungen, liegt ebenfalls beim Betreiber.
Die durchgeführten Wartungen und Prüfungen müssen dabei schriftlich dokumentiert werden, idealerweise in einem Prüfbuch.
Die erforderlichen Wartungsarbeiten sollten auf einen Fachbetrieb wie z. B. PROTEC-24 übertragen werden.
Das Unterlassen regelmäßiger Wartung kann zu folgenden Konsequenzen führen:
- Der Eigentümer haftet für Schäden bzw. Personenschäden in unbegrenzter Höhe, wenn sie aufgrund einer Funktionsstörung der Anlage entstanden sind.
- Sind Mängel auf unzureichende Wartung zurückzuführen, erlischt die Gewährleistung seitens des Herstellers.
- Die Lebensdauer der Anlage wird wesentlich verkürzt.
- Die Ausfallrate Ihrer Anlagen erhöht sich und die Betriebs- oder Geschäftsprozesse werden gestört.
- Der Versicherungsschutzes kann unter Umständen durch den Sachversicherer aufgekündigt werden.
Zusätzlich bei Brandschutzanlagen:
- Die Sicherheit im Brandfall kann bei einer Brandschutzanlage nicht gewährleistet werden.
- Die Baubehörde kann nach Feststellung einer eingeschränkt funktionsfähigen Brandschutzanlage entsprechende Instandhaltungsmaßnahmen oder schlimmstenfalls sogar eine Nutzungsuntersagung anordnen.
- Führt eine mangelhafte Brandschutzanlage zu einem Brandfall, kann das zur Leistungsfreiheit der entsprechenden Versicherung führen.
Instandhaltung von Laufreglern
Gemäß der jeweiligen Landesbauordnung (LBO) ergibt sich für den Betreiber baulicher Anlagen die Verpflichtung, alle Anlagen jederzeit funktionstüchtig und sicher für Mitarbeiter und Besucher zu halten. Aufgrund von Schäden an der Anlage ist die Funktionsfähigkeit jedoch nicht immer gegeben und regelmäßige Anpassungen bei den gesetzlichen Anforderungen schreiben neue technische Ausstattungen vor, um die Sicherheit zu gewährleisten.
Eine schnelle Wiederherstellung der vollen Funktionsfähigkeit muss dann zwingend erfolgen. PROTEC-24 steht Ihnen dabei mit der notwendigen Reparatur oder einer Modernisierung kompetent und flexibel zur Seite. Alle Arbeiten werden ausschließlich durch vorgeschriebene sachkundige Mitarbeiter vorgenommen.
Reparatur/Instandsetzung
Sollten Sie einen Defekt an Ihrer Anlage haben, stehen wir Ihnen mit über 30 Niederlassungen und Service-Standorten bundesweit vor Ort zur Seite. Wir beheben Schäden schnellstmöglich und bringen damit Ihre Betriebsprozesse wieder zum Laufen.
Dank unserer zertifizierten und sachkundigen Servicetechniker sowie einer umfangreichen Wissensdatenbank können wir bei nahezu allen Systemen die Funktionsfähigkeit bzw. den Brandschutz fachgerecht und herstellerunabhängig wiederherstellen. Viele Ersatzteile sind dabei bereits in unseren Servicewagen vorhanden oder können schnell und direkt von den jeweiligen Herstellern bezogen werden.
Im Notfall können Sie sich immer auch auf unseren 24-Stunden-Notdienst an 365 Tagen im Jahr verlassen.
Modernisierung/Nachrüstung
Auch bei bestehenden Anlagen ergeben sich immer wieder neue Anforderungen. Da es in der Regel keinen Bestandsschutz gibt, sind unter Umständen durch veränderte gesetzliche Vorschriften Anpassungen teilweise unumgänglich.
Aber auch im Zuge des internen Facility Managements sind Themen wie effiziente Prozesse oder Kosteneinsparungen eine ständige Herausforderung. PROTEC-24 berät Sie kompetent und individuell, wie Sie Ihre Anlagen effizient modernisieren und an die jeweiligen Anforderungen anpassen können. Wir sagen Ihnen, was sich für Sie lohnt, mit welchem Budget Sie rechnen müssen und welche Vorteile Sie dadurch erzielen können.
Vorteile einer Modernisierung:
- garantierte Einhaltung aller Normen, Vorschriften und Richtlinien
- verbesserte Energieeffizienz
- effizientere Betriebsprozesse und höhere Zuverlässigkeit
- höherer Komfort
- verbesserte Leistung
- bessere Optik
- optimierte Sicherheit
- Erhöhung der Lebensdauer
- Sicherstellung der Ersatzteilbeschaffung
Leistungen von PROTEC-24
- fachgerechte Reparaturen durch sachkundiges und regelmäßig weitergebildetes Personal
- Rund-um-die-Uhr-Einsatzgarantie – 24 Stunden, 7 Tage die Woche und 365 Tage im Jahr
- sofortige Reparatur vor Ort durch Vorhaltung von Standardersatzteilen im Servicefahrzeug und direkter, digitaler Verbindung zur umfangreichen Wissensdatenbank in CAVEA mit allen technischen Informationen zu Systemen und Anlagen aller Hersteller
- effiziente Erstellung maßgeschneiderter Reparatur- oder Modernisierungsangebote direkt nach einer Wartung und Prüfung durch automatische Verbindung zum Innendienst über die Wissens- und Dokumentationsplattform CAVEA
- sicherheitstechnische Prüfung gemäß Vorschrift, nach den Vorgaben des Herstellers im Anschluss aller Änderungen an den Anlagen
- professionelle und unabhängige Prüfung der Wirtschaftlichkeit einer Instandhaltung gegenüber einer Neuanlage









